行业趋势与产品定位
在臂式高空作业混动机械工程车领域,动力系统的每一次升级,都是作业效率、能源消耗与运营成本的系统性优化。随着全球绿色能源与智能装备深度融合发展,高效、紧凑、高集成度的电驱动系统正成为行业发展的关键方向。
在此背景下,国内领先的高端电机企业-中豪电动,为臂式高空作业混动机械工程车应用场景提供优化方案,推出创新产品——TZ245S平台轴向磁通永磁同步电机,为高端工程机械提供新一代核心动力支持。
核心技术优势
该平台产品兼具“可发电、可驱动”双重功能,额定功率覆盖 10kW、12kW、15kW、20kW 等规格,发电效率高达 94% 以上,达到国家一级能效标准,在实现高效节能的同时,兼顾极致轻量化设计,进一步推动我国高端工程机械动力系统迈向新一代技术水平。
作为一款集发电与驱动于一体的双向轴向磁通电机,TZ245S平台凭借独特的扁平化结构和高集成度设计,专为空间受限的臂式高空作业平台量身打造。整机轴向厚度仅 82mm,重量小于20kg,在不牺牲性能的前提下实现显著轻量化,有效降低整车负载,提升运行效率与整机稳定性。
在整体性能表现方面,显著优于传统径向磁通电机。配合高效水冷散热系统,可在持续高负荷工况下保持稳定输出,有效延长设备使用寿命,降低整机运维成本。其中,10kW型号峰值转速可达30,00 rpm,峰值功率最高可达20kW,能够满足复杂城市高空作业对电力系统的多样化需求。


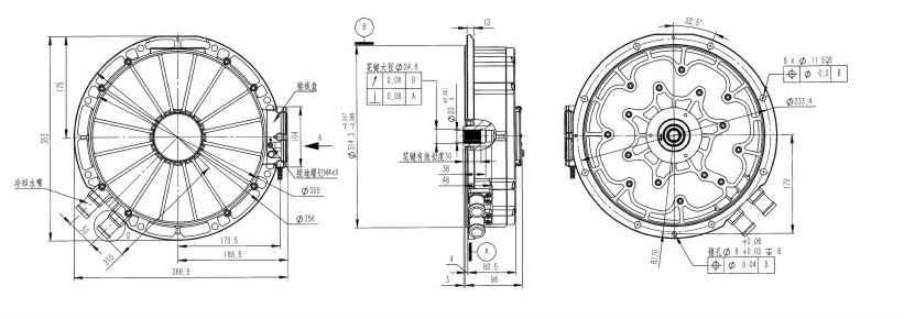
结构设计与性能表现
在结构设计方面,得益于轴向磁通电机“盘式”结构优势,TZ245S系列整体高度扁平,外径尺寸315mm、轴向尺寸仅82.5mm,便于集成于高空作业车臂架关节或动力舱等空间受限区域,显著提升整车空间利用率。同时,产品达到 IP67防护等级,可在潮湿、粉尘、雨水等复杂环境下稳定运行,适用于建筑维护、电力检修、广告安装等多种户外作业场景。
在混动系统应用中,TZ245S平台不仅可作为高效发电机使用,同时具备驱动功能,支持混合动力系统在纯电、增程及能量回收等多种工作模式之间智能切换。在设备下降或减速过程中,电机可自动进入发电状态,实现动能回收并回馈电池系统,进一步提升能源利用效率,真正实现“一机多用、能量闭环”。

中豪电动持续致力于突破传统电机在功率密度与空间布局方面的技术限制。TZ245S平台轴向磁通电机的推出,是公司在该技术领域取得的重要成果,也将有力推动高空作业装备向更高能效、更轻量化、更智能化方向发展。